歡迎您,浏覽新港海岸(北京)科技有限公司官方網站!
服務熱線:+86-10-53821869 / +86-755-23480857
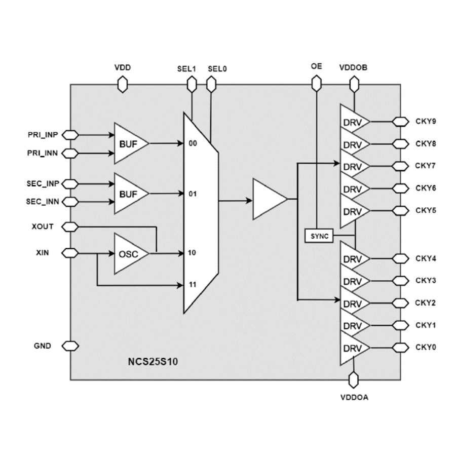
NCS25S10
- 輸入類型 : LVPECL, LVDS, HCSL, SSTL, LVCMOS, LVTTL
- 輸入端口數 : 3
- 輸出端口數 : 10
- 輸出類型 : LVCMOS
- 器件類型 : Single-Ended Buffer
- Core Supply Voltage(V) : 2.5V,3.3V
- Output Supply Voltage(V) : 1.5, 1.8, 2.5, 3.3V
- Output frequency(Min)(MHz) : DC
- Output frequency(Max)(MHz) : 200
- Additive Jitter(fs) : 30
- Temperature Range : -40 to 85
- Package : 32-pin QFN(5mm x 5mm)
輸入端口數 : 3
輸出端口數 : 10
輸出類型 : LVCMOS
器件類型 : Single-Ended Buffer
産品描述
High-performance crystal buffer with ultra-low noise floor of -170 dBc/Hz
Low-power clock fanout buffer with additive jitter of 30 fs RMS (typical, 12k to 20M)
Level translation from 3.3V or 2.5V core supply to output supply of 3.3V, 2.5V, 1.8V or 1.5V
Device consists of primary, secondary and crystal inputs which are selectable through input pins.
Clock inputs can accept LVPECL, LVDS, HCSL, SSTL, LVCMOS or LVTTL signals.
Both differential and single-ended inputs are supported with frequencies from DC to 200MHz.
Support either DC or AC-coupled input interface.
産品參數
Crystal frequencies from 8MHz to 50MHz.
Crystal overdrive mode or bypass mode
10 Single-ended LVCMOS output with two independent output supply banks.
Operate up to 200MHz
Low propagation delay of 1ns (typical)
Output skew of 30ps (typical)
Synchronous and glitch-free output enable through input pin
Offered in 32-pin QFN package (5-mm x 5-mm)
Core Supply Voltage(V):2.5V,3.3V
Output Supply Voltage(V):1.5, 1.8, 2.5, 3.3V
Output frequency(Min)(MHz):DC
Output frequency(Max)(MHz):200
Additive Jitter(fs):30
Temperature Range:-40 to 85
Package:32-pin QFN(5mm x 5mm)
相關産品
産品咨詢
北京總公司
北京市朝陽區望京綠地中心A座A區9層
深圳子公司
↵廣東省深圳市福田區深南大道(dào)6019号金潤大廈8層
西安分公司
西安市高新區錦業一路52号寶德雲谷國際B座2003
合肥子公司
↵合肥市高新區創新大道(dào)2800号創新産業園2期F棟705
電話:+86-551-63657380

